试题展示 / 2018年3月加工中心操作工高级技师模拟试题及答案卷11

2018年3月加工中心操作工高级技师模拟试题及答案卷11

来源:云习网            发布时间:2018-03-12 22:26

试题展示2018年3月加工中心操作工高级技师模拟试题及答案卷11加工中心操作工职业资格高级技师最新最全,免费模拟练习

   2018年加工中心操作工模拟试题及答案由云习网提供

   职业资格下载地址  免费练习 。


1、(多选题)在切削过程中,工件上形成三个表面:()。


A   待加工表面

B   加工表面

C   已加工表面

D   未加工表面

E   残留表面

正确答案:ABC


2、(单选题)目前在机械工业中最高水平的生产型式为()。


A   CNC

B   CIMS

C   FMS

D   CAM

正确答案:B


3、(多选题)在绘制主轴零件图时根据设计和装配要求,可以选择如下()等作为设计基准。


A   轴线

B   轴肩端面

C   通孔中心线

D   外圆面

E   内圆面

正确答案:AB


4、(单选题)企业文化的核心是()。


A   企业价值观

B   企业目标

C   企业形象

D   企业经营策略

正确答案:A


5、(判断题)()P类硬质合金刀片适于加工长切屑的黑色金属。

正确答案:正确


6、(主观题)翻译题:|Defining the cutting edge position|The cutting geometry of a facemill involves several angles to define the position of the insert, as held by the cutter in three-dimensional space. The entering angle (k) has been mentioned before as being the angle between the plane machined by the cutter and that machined by the main cutting edge. There are four additional angles that define the position of the insert in a facemill.|Two of these are functional angles: the inclination (λs) of the insert and the effective rake (o). As well as the entering angle,thesestronglyinfluencethepowerneededforthecutaswellaschipflow.|Alongwiththeenteringangle 判断题,加工中心操作工—高级技师,计算机床的动刚度时,需考虑频率比(λ=)对动刚度的影响,λ的值应等于1。


正确答案:F


7、(单选题)8255芯片是()接口芯片。


A   可编程并行

B   不可编程并行

C   可编程串行

D   可编程定时

正确答案:A


8、(判断题)在数控铣床上,铣削脆性材料时,铣刀应选择较大的前角。

正确答案:错误


9、(多选题)偏移命令可利用()方式对选中对象进行偏移操作,从而创建新的对象。


A   指定距离进行偏移

B   指定点进行偏移

C   指定方向进行偏移

D   指定路径进行偏移

E   指定角度进行偏移

正确答案:AB


10、(多选题)对铝镁合金,为了(),建议采用顺铣方案。


A   提高表面粗糙度

B   提高表面粗糙度值

C   降低表面粗糙度值

D   降低刀具耐用度

E   提高刀具耐用度

正确答案:CE


11、(判断题)气体辅助注塑成型是吹塑成型与压塑成型的组合。

正确答案:错误


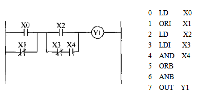
12、(主观题)根据下面梯形图形,写出指令表(语句表)程序。


正确答案:


13、(判断题)硬质合金是耐磨性好、耐热性高、抗弯强度和冲击韧性较高的刀具材料。

正确答案:错误


14、(单选题)数控机床在轮廓拐角处产生“欠程”现象,应采用()方法控制。


A   提高进给速度

B   修改坐标点

C   减速或暂停

D   提高切削速度

正确答案:B


15、(主观题)论述职业(工种)教学的主要课程及学时分配的关系。


正确答案:职业学校对专业教学计划的主要课程一般分为四大类。文化理论课程、专业基础课程、专业课程、专业技能训练课程。其课时分配比例依不同专业、不同层次要求而相异,但大致为1︰2︰2︰5。|(1)文化理论课程。其设置原则是文化理论课为专业基础课服务。|(2)专业基础课程。其设置原则是专业基础课为专业课服务。|(3)专业课程。其设置原则是专业课为专业技能课服务。|(4)专业技能课程。其设置原则是专业技能课程为受教育者增强职业能力、具备就业资格服务。因此,专业技能课一般分为三大类课题。|1)专业基本技能课题。主要完成从事该专业技能工作所需的基础性技能学习。|2)专业综合训练课题。是比较全面、比较复杂的综合技能课题,通过对的学习和操作,进一步强化训练效果,在模拟实践的环境下,提升技术操作应用能力。|3)专业辅助训练课题。随着科学技术的飞速发展,对专业技能的要求也越来越高。生产实践中,不仅要求从业人员专业上要精,而且面要广。


16、(多选题)提高生产率的主要途径:()。


A   采用先进的毛坯制造工艺和方法,减小加工余量

B   采用先进的机床设备及自动化控制系统

C   粗加工时采用强力切削

D   精加工时采用高速切削

E   减小加工余量

正确答案:ABCDE


17、(单选题)在开环系统中,影响丝杠副重复定位精度的因素有()。


A   接触变形

B   热变形

C   配合间隙

D   共振

正确答案:C


18、(判断题)闭环伺服系统亦称为误差控制的随动系统,其中又分全闭环和半闭环

正确答案:正确


19、(单选题)采用“高压建流,低压定流”工作方式的步进电动机驱动电源是()。


A   高压单电源型驱动电源

B   高低压双电源驱动电源

C   恒流斩波驱动电源

D   调频调压型驱动电源

正确答案:B


20、(单选题)电火花加工过程中常把阳极蚀除速度大于阴极的称作()。


A   正接法

B   反接法

C   负效应

D   正效应

正确答案:D


21、(单选题)毛坯制造时,如果(),应尽量利用精密铸造、精锻、冷挤压等新工艺,使切削余量大大减少,从而可缩短加工的机动时间。


A   属于维修件

B   批量较大

C   在研制阶段

D   要加工样品

正确答案:B


22、(主观题)何为爬行现象?防止爬行的措施最主要的有哪些?


正确答案:进给系统的驱动速度为匀速,当运动部件速度低于某一临界速度时,会出现执行部件运动时快时慢、甚至停顿——前冲的现象,这种现象称为爬行现象。|措施(减小Vc的办法):改善导轨面间和摩擦特性、(滚动--静压--滑动(塑料))、提高传动刚度、减轻运动件的重量、增加系统的阻尼等。


23、(多选题)由于定位而引起的加工尺寸的最大变动量,称为定位误差。其产生的原因有()。


A   基准不重合误差

B   基准位移误差

C   工序误差

D   最小变动量

E   系统误差

正确答案:AB


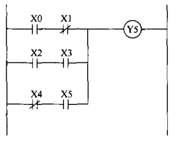
24、(主观题)根据如下所示的梯形图,编写PLC程序。


正确答案:参考一:|0 LD X0|1 ANI X1|2 LD X2|3 AND X3|4 ORB|5 LDI X4|6 AND X5|7 ORB |8 OUT Y5|参考二:|0 LD X0|1 ANI X1|2 LD X2|3 AND X3|4 LDI X4|5 AND X5|6 ORB|7 ORB|8 OUT Y5


25、(单选题)机电一体化系统具有(),具有适应面广的多种复合功能。


A   弹性

B   刚性

C   韧性

D   柔性

正确答案:D


26、(单选题)()国家使用第三角投影。


A   美国、英国、法国

B   美国、日本、德国

C   俄国、日本、德国

D   法国、俄国、日本

正确答案:B


27、(判断题)教育对社会发展的作用,是通过促进生产力发展来实现

正确答案:错误


28、(单选题)一般划线精度只能达到()mm。


A   05~1

B   1~2

C   25~5

D   5~0

正确答案:C


29、(单选题)数控系统中,()组字段(地址)在加工过程中是模态的。


A   G01

B   G27G28

C   G04

D   M02

正确答案:A


30、(多选题)以下符合组合夹具特点的选项是()


A   标准化、通用化程度最高

B   用于装夹形状复杂的零件

C   具有很好的经济性

D   柔性化程度不高

E   系列化的工艺装备

正确答案:ABC