2018年3月加工中心操作工高级技师模拟试题及答案卷25
试题展示2018年3月加工中心操作工高级技师模拟试题及答案卷25加工中心操作工职业资格高级技师最新最全,免费模拟练习
2018年加工中心操作工模拟试题及答案由云习网提供
职业资格下载地址 免费练习 。
1、(单选题)相对编程是指()。
A 相对于加工起点位置进行编程
B 相对于下一点的位置编程
C 相对于当前位置进行编程
D 以方向正负进行编程
正确答案:C
2、(单选题)所谓联机诊断,是指数控计算机中的()。
A 远程诊断能力
B 自诊断能力
C 脱机诊断能力
D 通信诊断能力
正确答案:B
3、(单选题)线切割机床型号为DK7725中25为基本参数代号,表示工作台横向行程为()。
A 25mm
B 250mm
C 77cm
D 770mm
正确答案:B
4、(判断题)塑化和注射装置必须实现熔化、均匀化、累积和注射等功能。
正确答案:正确
5、(单选题)高速机械的()是可能引起振动的主要部件。
A 支架
B 轴承
C 转子
D 锭子
正确答案:C
6、(单选题)生产某零件的时间定额为15分/件,那么一个工作日,该零件的产量定额:()。
A 40件/班
B 45件/班
C 35件/班
D 32件/班
正确答案:D
7、(多选题)编制加工程序时往往需要合适的刀具起始点,刀具的起始点就是()。
A 程序的起始点
B 换刀点
C 编程原点
D 机床原点
E 系统零点
正确答案:AB
8、(判断题)在数控铣床上,铣削脆性材料时,铣刀应选择较大的前角。
正确答案:错误
9、(单选题)()G组指令是功能指令。
A GGG1
B GGG10
C GGG27
D GGG92
正确答案:A
10、(单选题)传感器包括以下三个功能部件:敏感元件、传感元件、()元件。
A 辅助
B 控制
C 执行
D 测量
正确答案:D
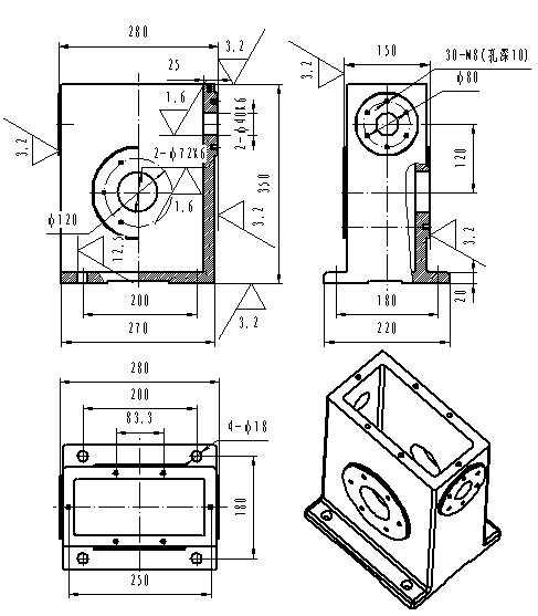
11、(主观题)加工的箱体WS120型蜗杆减速器的内孔,如下图所示:箱体材料:HT200,批量生产。孔的精度要求较高,
,Ra=1.6μm。试讨论加工该孔的工艺方法,以及不同方法的优缺点,并提出更优化的解决方案。
正确答案:由于此孔的孔径和精度要求校高,通常用的加工手段有两种方法:|方法一,先用钻头钻出孔(粗加工)后,留出精加工余量,再由技术水平较高的人员直接镗出内孔达到精度要求;|方法二,先对工件钻孔→扩孔→粗铰(留0.1~0.2mm铰削余量)→精铰,这样来保证孔的质量。|两种方法的优劣势各有不同:|方法一操作过程简单,加工出的孔,直线度较好,刀具消耗低,但对镗孔工序的工人技能要求较高,在普通机床上加工上加工时,而且较容易产生废品,工作效率较低;|方法二加工出来的孔径取决于铰刀的精度、尺寸相对稳定,对操作者的技能水平要求也相对不很高,但是加工出来的孔其表面粗糙度低,孔的直线度较差,铰刀的消耗也很大,效率非常低且换刀次数多而增加了辅助时间,只适宜单件生产,不适合批量生产。|如果能把两种加工方法的优点综合利用,既保证零件的加工精度,工人技能要求也不需很高,且又能降低生产成本,提高效率的加工方法和措施这批产品的生产特点及采取常规的加工方法,进行生产的难度较大且效率较低的问题就可得到很好的改善。因此,将钻孔、镗孔、铰孔容为一体的专用复合刀具。|
12、(单选题)油泵输出流量脉动最小的是()。
A 齿轮泵
B 转子泵
C 柱塞泵
D 螺杆泵
正确答案:D
13、(判断题)()Internet上每台主机都有一个唯一、数字形式的一组地址(或者叫名字)。
正确答案:正确
14、(判断题)()控制工作液体压力的阀称压力控制阀。
正确答案:正确
15、(判断题)()新产品的试制与鉴定工作,是成批、大量生产的一项重要准备工作。设计和工艺准备中所存在的不足,只有通过试制和鉴定才能暴露。
正确答案:正确
16、(单选题)程序是由多条指令组成,每一条指令都称为程序段(占一行),构成程序段的要素是程序字,程序字是由()。
A 地址
B 数值
C 地址及其后续的数值
D 符号
正确答案:C
17、(判断题)收集数据的方法很多,一般多采用估计法。
正确答案:错误
18、(主观题)刀具磨损的三种类型是在什么情况下产生的?
正确答案:(1) 刀具后面磨损是在车削脆性材料或切削厚度较小的塑性材料时产生;|(2) 刀具前面的磨损是在切削厚度较大的塑性材料时产生的;|(3) 前后刀面同时磨损是在车削塑性材料时切削厚度在0.1~0.5mm时发生。
19、(判断题)高性能高速钢是在普通高速钢的基础上,用调整其基本化学成分和添加一些其他合金元素(如钒、钴、铅、硅、铌等)的办法,着重提高其耐热性和耐磨性而衍生出来的。
正确答案:正确
20、(判断题)数控技术是用数学的方法实现自动控制的技术。
正确答案:错误
21、(单选题)应用刀具半径补偿功能时,如刀补值设置为负值,则刀具轨迹是()。
A 左补
B 右补
C 不能补偿
D 左补变右补,右补变左补
正确答案:D
22、(单选题)光栅传感器安装时,油液溅落方向应向着()。
A 光栅主尺
B 光栅读数头
C 光源
D 指示光栅
正确答案:A
23、(单选题)国家法律规定,对于在工伤期间治疗的员工,其福利待遇与本单位其他员工()。
A 不同,一般为一半
B 不同,一般为75%
C 完全相同
D 没有福利待遇
正确答案:C
24、(多选题)数控机床在自动输入加工程序时,必须有输入用的控制介质,如()。这些控制介质是以代码信息表示加工程序的一种方式。
A 软盘
B 穿孔带
C 磁带
D 磁盘
E U盘
正确答案:ABCDE
25、(单选题)数控系统中,()组字段(地址)在加工过程中是模态的。
A G01
B G27G28
C G04
D M02
正确答案:A
26、(多选题)铸造夹具体材料采用()。
A HT15-33灰铸铁
B HT20-40灰铸铁
C 铸钢
D 铸铝
E QT350
正确答案:ABCDE
27、(单选题)在下列选项中,符合平等尊重要求的是()
A 根据员工工龄分配工作
B 根据服务对象的性别给予不同的服务
C 师徒之间要平等尊重
D 取消员工之间的一切差别
正确答案:C
28、(多选题)社会主义道德建设的是()。
A 爱祖国
B 爱人民
C 爱劳动
D 爱科学
E 爱社会主义
正确答案:ABCDE
29、(单选题)受控变量是机械运动的一种反馈控制系统称:()。
A 顺序控制系统
B 伺服系统
C 数控机床
D 工业机器人
正确答案:B
30、(判断题)目前NC编程的方法有手工编程和自动编程两种。
正确答案:正确