2018年1月机修钳工技师模拟试题及答案卷30
试题展示2018年1月机修钳工技师模拟试题及答案卷30机修钳工职业资格技师最新最全,免费模拟练习
2018年机修钳工模拟试题及答案由云习网提供
职业资格下载地址 免费练习 。
1、(多选题)机械设备的电气故障分强电故障和弱电故障,弱电故障主要是指()。
A 继电器
B 伺服单元
C 接触器
D PLC控制器
E CNC装置
正确答案:BDE
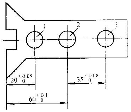
2、(主观题)如图所示的零件,加工三个孔,计算加工后孔1和孔2之间、孔1和孔3之间所能达到的尺寸精度,并画出尺寸链图。
正确答案:
3、(单选题)大型工件划线时,应选定划线面积较大的位置()(划线位置,这是因为在校正工件时,较大面比较小面准确度高。
A 粗
B 精
C 初始
D 第一
正确答案:D
4、(多选题)滚珠丝杆螺母传动的特点是()。
A 摩擦大
B 灵敏度高,传动平稳
C 磨损大,寿命短
D 可通过预紧,消除轴向间隙提高轴向刚度
E 效率高
正确答案:BDE
5、(单选题)生产成果的核算应包括产品品种、产量、产值和()。
A 质量
B 工时
C 耗料量
D 资金
正确答案:A
6、(判断题)金属喷涂是利用火焰、电弧等热源,将金属或非金属材料加热到熔融状态后焊接到工件表面的一种零件修复方法。
正确答案:错误
7、(主观题)列举并说明交流伺服电动机的主要特性参数。
正确答案:交流伺服电动机的主要特性参数有:|1、额定功率。电动机长时间连续运行所能输出的最大功率,数值上约为额定转矩与额定转速的乘积。|2、额定转矩。电动机在额定转速以下所能输出的长时间工作转矩。|3、额定转速。由额定功率和额定转矩决定,通常在额定转速以上工作时,随着转速的升高,电动机所能输出的长时间工作转矩要下降。|4、瞬时最大转矩。电动机所能输出的瞬时最大转矩。|5、最高转速电动机的最高工作转速。|6、电动机转子惯量。
8、(单选题)继电器是通过()对电路实行控制的。
A 闸刀开关
B 空气开关
C 接触器
D 接触开关
正确答案:C
9、(多选题)加工螺纹时造成螺距不对的原因主要有()。
A 系统和驱动器参数设置是否正确
B 线路接触良好
C 主轴转速是否合理
D 机械,加工程序是否有问题
E 主轴编码器故障
正确答案:ACDE
10、(单选题)调度员的分工方式以()种为较好。
A 按时间分工
B 按条分工
C 条块结合分工
D 按块分工
正确答案:C
11、(单选题)数控车床主轴间隙的一般调整顺序是()。
A 先调纵向,再调横向
B 先调横向,再调纵向
C 先调径向跳动,再调轴向窜动
D 先调轴向窜动,再调径向跳动
正确答案:D
12、(单选题)()能对两个或两个以上的坐标方向的运动同时进行严格的连续控制,不仅控制每个坐标的行程位置,还要控制每个坐标的运动速度。
A 点位控制系统
B 点位直线控制系统
C 轮廓控制系统
D 直线控制系统
正确答案:C
13、(多选题)购置数控机床前应做好充分准备,其中写技术分析报告是很关键的一项工作,写技术分析报告时除了对购置的理由、投资来源、附属装置、刀具系统、刀库类型和刀库容量的选择、夹具的选择、性能价格比、售后服务等内容作出详细分析外,还应该列出()。
A 对机床的要求
B 无法量化的费用分析
C 签订合同
D 对数控系统的选择
E 投资心理分析
正确答案:AD
14、(主观题)某旋转件的质量m=100kg,工作转速n=1000r/min,平衡精度等级为G1。试求平衡后允许的偏心距e和剩余不平衡力矩M(取重力加速度g≈10m/s2)。
正确答案:旋转件的角速度 ω=2πn/60=2π×1000/60=104.72 rad/s,由于平衡精度等级为G1,所以旋转件的偏心速度 ve=1 mm /s允许的偏心距 e=1000 ve/ω=1000×1/104.72=9.55μm剩余不平衡力矩 M=We=mge=100×10×9.55=9550 N·μm =9.55 N·mm。平衡后允许的偏心距e为9.55μm,剩余不平衡力矩M为9.55 N·mm。
15、(单选题)抛光一般只能得到光滑表面,不能提高()。
A 使用寿命
B 表面精度
C 表面质量
D 加工精度
正确答案:D
16、(判断题)职业道德是社会道德体系的重要组成部分,它一方面具有社会道德的一般作用,另一方面它又具有自身的特殊作用。
正确答案:正确
17、(单选题)项目性修理是指对设备的()进行修理。
A 某个部件
B 某项精度
C 某个部件或某项精度
D 多个部件
正确答案:C
18、(单选题)激光干涉仪的最大测量长度为()。
A 40m
B 60m
C 100m
D 很长、几乎不受限制
正确答案:B
19、(主观题)简述电火花加工和线切割加工的相同点和不同点。
正确答案:1、电火花加工和线切割加工的相同点:|(1)加工原理相同,均属于电腐蚀加工。|(2)加工的工件材料,无论硬度高低,必须是金属材料。|2、电火花加工和线切割加工的不同点:|(1)电火花加工电极材料一般为紫铜或石墨;线切割加工电极为铜丝或钼丝。|(2)电火花加工工具电极为成型电极,与需加工的型腔在形状上相匹配,常为一一对应的关系。线切割加工的电极丝则可以加工不同的型腔,应用范围广泛。|(3)电火花加工在加工过程中,既有正极性加工,也有副极性加工;而线切割加工只是正极性加工。|(4)电火花加工既可以加工通孔,也可以加工盲孔;线切割加工只能加工母线是直线的通孔。|(5)电火花加工通常在塑料模具加工中应用;线切割加工通常在五金模具加工中应用。
20、(多选题)数控机床的主轴在结构上要处理好()。
A 卡盘或刀具的装卡
B 主轴的卸荷
C 主轴轴承的定位
D 主轴轴承的间隙调整
E 主轴的强度
正确答案:ABCD
21、(主观题)把下列某数控系统的报警内容翻译成中文。|(1)ADDRESS DUPLICATION ERROR。|(2)CNCN NOT COMMAND G51 IN CRC。|(3)n AXIS:INV.COOLING FAN FAILUER。|(4)n AXIS:CNV.LOWVOLT DC LINK。|(5)n AXIS:INV.OVERHEAT。
正确答案:1、在同一个程序段内,指令了两次或两次以上的相同地址。2、刀具补偿方式中指令了G51。3、内部风扇不转。4、LINK电压降低。5、伺服放大器过热。
22、(判断题)角度量块组合时,块数越多越好,每选一块要加上一位分秒数。
正确答案:错误
23、(单选题)能()自诊断功能,进行PLC接口检查是数控设备维修人员技能之一。
A 启动
B 调用
C 运行
D 检查
正确答案:B
24、(单选题)用水平仪测量单轨面扭曲,要使用()水平仪垫底。
A 矩形
B 与导柱轨面形状相符的
C 三角形
D 圆柱形
正确答案:B
25、(判断题)梯形长丝杠在加工时容易产生弯曲变形,在半精车后弯曲度已较小,故该工艺可采用压高点法校直。
正确答案:错误
26、(判断题)()双频激光干涉仪不仅用于精密测量,还可用于大型机床的精密定位
正确答案:正确
27、(单选题)数控机床开机后首先使各轴自动检测参考点,其顺序为()。
A X、Y、Z
B X、Z、Y
C Z、X、Y
D Z、Y、X
正确答案:C
28、(单选题)万能工具显微镜工作室的温度应控制在()以内。
A (20±1)℃
B (20±2)℃
C (22±1)℃
D (20±0.5)℃
正确答案:B
29、(判断题)对于万件以上大批量的注塑零件的生产可利用快速制造的原型,采用喷涂技术制造金属冷喷模。
正确答案:错误
30、(多选题)测量车床尾座移动对溜板移动的平行度的步骤是()。
A 两次测量分别计算
B 测头顶在尾座顶尖套的上母线,移动溜板并推动尾座一起移动
C 在溜板全行程上检验。同样的方法在尾座顶尖套的侧母线上测量
D 把千分尺固定在溜板上
E 千分表在每米和全部行程上的最大读数差为平行度误差
正确答案:ABCDE