2018年3月数控车工高级技师模拟试题及答案卷14
试题展示2018年3月数控车工高级技师模拟试题及答案卷14数控车工职业资格高级技师最新最全,免费模拟练习
2018年数控车工模拟试题及答案由云习网提供
职业资格下载地址 免费练习 。
1、(单选题)热继电器在控制电路中起的作用是()。
A 短路保护
B 过载保护
C 失压保护
D 过电压保护
正确答案:B
2、(判断题)()铝合金材料在钻削过程中,由于铝合金易产生积屑瘤,残屑易粘在刃口上造成排屑困难,故需把横刃修磨得短些。
正确答案:正确
3、(单选题)《公民道德建设实施纲要》提出“在全社会大力倡导()的基本道德规范”。
A 遵纪守法、诚实守信、团结友善、勤俭自强、敬业奉献;
B 爱国守法、诚实守信、团结友善、勤俭自强、敬业奉献;
C 遵纪守法、明礼诚信、团结友善、勤俭自强、敬业奉献;
D 爱国守法、明礼诚信、团结友善、勤俭自强、敬业奉献
正确答案:D
4、(主观题)对图示零件进行工艺编制,并按加工工艺卡的内容填写(包括:工步号、工序内容、工件装夹方式、刀具选择、主轴转速、进给量、切削深度)。材料为45钢,毛坯尺寸为φ70mm×100mm的棒料(车削中心的型号:EX308,数控系统为:FANUC21i)。|

|
正确答案:|

|
5、(多选题)关于职业纪律的正确表述是()。
A 每个从业人员开始工作前,就应明确职业纪律
B 从业人员只有在工作过程中才能明白职业纪律的重要性
C 从业人员违反职业纪律造成损失,要追究其责任
D 职业纪律是企业内部的规定,与国家法律无关
E 以上说法均不正确
正确答案:ABC
6、(单选题)机械零件的真实大小是以图样上的()为依据。
A 比例
B 公差范围
C 技术要求
D 尺寸数值
正确答案:D
7、(单选题)交流伺服电机正在旋转时,如果控制信号消失,则电机将会()。
A 立即停止转动
B 以原转速继续转动
C 转速逐渐加大
D 转速逐渐减小
正确答案:A
8、(单选题)双导程蜗杆副消除传动侧隙的方法是()。
A 缩小涡轮蜗杆的中心距
B 增大蜗轮蜗杆的中心距
C 使蜗杆产生轴向移动
D 使蜗杆产生侧向滑动
正确答案:C
9、(主观题)提高工艺系统的抗振性的措施,举例说明。
正确答案:①提高工艺系统的刚度。如调整主轴系统、进给系统的间隙,合理改变机床结构,减小工件和刀具安装中的悬伸长度,车刀反装切削,减轻工艺系统中各构件的质量等。②增大系统的阻尼。选用阻尼比大的材料制造机床零件,把高阻尼材料加入机床零件,调整机床活动结合面间隙,施加预紧力增大摩擦,固定结合面选用合理的加工方法等。
10、(单选题)用以确定公差带相对于零线位置的上偏差或下偏差的公差称为()。
A 尺寸偏差
B 基本偏差
C 尺寸公差
D 标准公差
正确答案:B
11、(单选题)要做到遵纪守法,对每个职工来说,必须做到()。
A 有法可依
B 反对“管“、“卡”、“压”
C 反对自由主义
D 努力学法,知法、守法、用法
正确答案:D
12、(主观题)什么是六点定位原理?
正确答案:在夹具中,用分布适当的与工件接触的六个支承点来限制六个自由度的原理,称为六点定位原理。
13、(判断题)液压传动中,调速阀是由节流阀和减压阀串联而成的组合阀。
正确答案:
14、(判断题)用V形块定位时,其水平方向与对称中心位置间没有定位误差。
正确答案:正确
15、(单选题)特殊过程是指()。
A 当生产和服务提供过程的输出不能由后续的监视或测量加以验证,仅在产品使用或服务已交付后问题才显现的过程
B 对适当的设备在使用中要定期进行维护和保养,以保持它们的运行能力的过程
C 对有特殊质量要求进行过程控制的过程
D 对生产过程复杂必须进行过程控制的过程
正确答案:A
16、(主观题)车削用硬质合金刀具材料的类型和特点。
正确答案:①碳化钨基硬质合金,碳化钛基硬质合金,表面涂层硬质合金。②碳化钨基硬质合金:YG与钢的粘结温度较低,用于切削铸铁、有色金属及其合金;YT用于加工塑性材料;YA有较高的高温硬度、高温强度和抗氧化能力;YW通用性较好。碳化钛基硬质合金主要用于碳钢、合金钢、工具钢、淬火钢等连续切削的精加工;表面涂层硬质合金多用于普通钢材的精加工或半精加工。
17、(单选题)车外圆时,当车刀装得低于工件中心,造成的结果可能是()
A 前角增大,后角减小,切削负载减小
B 前角减小,后角增大,切削负载减小
C 前角减小,后角增大,切削负载增大
D 前角增大,后角减小,切削负载增大
正确答案:C
18、(判断题)在使用Solidworks的工程图功能时,工程图中的尺寸与模型相互关联。
正确答案:
19、(单选题)液压系统常出现的下列四种故障现象中,只有()不是因为液压系统的油液温升引起的。
A 液压泵的吸油能力和容积效率降低
B 系统工作不正常,压力、速度不稳定,动作不可靠
C 活塞杆爬行和蠕动
D 液压元件内外泄漏增加,油液加速氧化变质
正确答案:C
20、(多选题)工艺基准包括()。
A 测量基准
B 装配基准
C 定位基准
D 设计基准
E 粗基准
正确答案:ABC
21、(单选题)刀具、量具等对耐磨性要求较高的零件应进行()处理。
A 淬火
B 淬火+低温回火
C 淬火+中温回火
D 淬火+高温回火
正确答案:B
22、(单选题)数控车床主轴在调质后,需要进行()。
A 精加工
B 半精加工
C 磨削加工
D 以上都是
正确答案:B
23、(判断题)提高步进系统精度的措施之一是采用反向间隙补偿
正确答案:正确
24、(单选题)生产计划大纲只能作为配置年度资源的参考,它与主生产计划之间联结需借助()来实现。
A 生产进度
B 定货合同
C 物料需求计划
D 工艺规程
正确答案:B
25、(单选题)数控系统故障诊断方法有()。
A 直观法
B CNC系统自诊断
C 数据和状态检查
D 以上都是
正确答案:D
26、(单选题)工件定位时,仅限制四个或五个自由度,没有限制全部自由度的定位方式称为()。
A 完全定位
B 欠定位
C 不完全定位
D 过定位
正确答案:C
27、(单选题)数控机床如长期不用时最重要的日常维护工作是()。
A 清洁
B 干燥
C 通电
D 润滑
正确答案:C
28、(判断题)()难加工材料主要是指切削加工性差的材料,不一定简单地从力学性能上来区分。如在难加工材料中,有硬度高的,也有硬度低的。
正确答案:正确
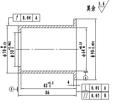
29、(主观题)薄壁套环如图所示,锻造毛坯,材料为45钢,试分析其加工工艺过程,包含毛坯的选取、热处理的安排、机械加工工序的划分等,并填写机械加工工艺过程卡片。|

正确答案:(1)工艺分析:|①薄壁套环为薄壁台阶零件,采用锻造毛坯,材料为45钢,在粗加工前应进行正火处理。|②自由锻造余量多,采用粗、精车分段进行,粗车后进行时效处理。|③工件壁厚为3mm,在装夹时要采取措施防止工件变形。|④内孔φ64mm为基准孔,精车时应先车孔和端面。|⑤外圆φ70mm对内孔φ64mm轴线有径向圆跳动要求,精车外圆φ70mm时,应以内孔φ64mm和右端面定位。|(2)机械加工工艺过程
30、(判断题)职业道德兼有强烈的纪律性。
正确答案:正确